Zu Produktinformationen springen
1 von 2

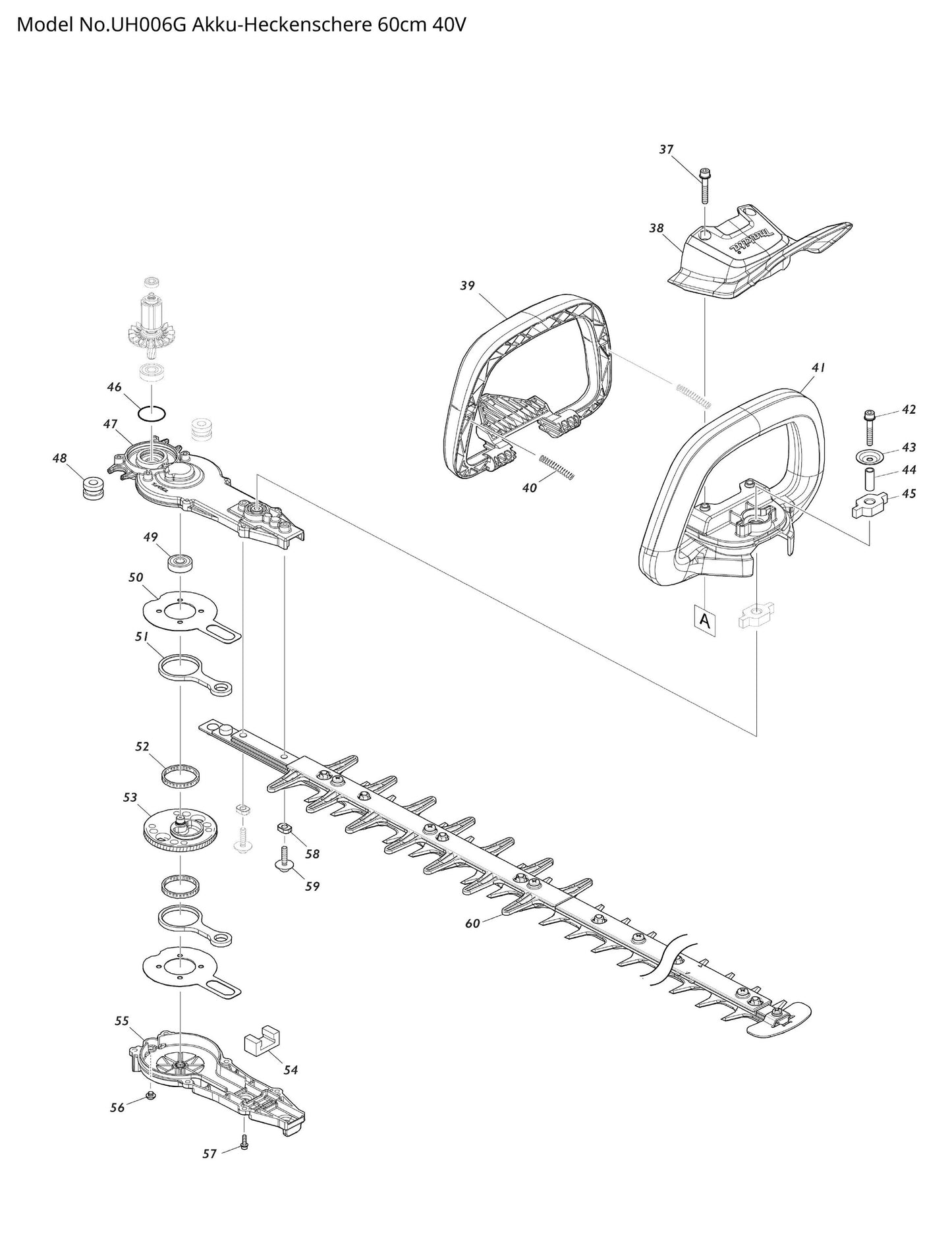
Makita UH006G Ersatzteile

Makita UH006G Ersatzteile

Hier findest du alle Ersatzteile für deine Akku-Heckenschere UH006G von Makita. Unsere Ersatzteile stammen alle vom Hersteller Makita.

Verfügbarkeitshinweis

Sollte ein Teil nicht sofort lieferbar sein, informieren wir dich so schnell wie möglich nach deiner Bestellung.

Kompatibilitäts Hinweis

Bitte prüfe das Typenschild der Maschine, diese Ersatzteile sind nur für die Maschine welche hier beschrieben ist.

Wenn Du bei der Auswahl der Ersatzteile nicht sicher bist, kontaktiere uns per E-Mail.

Hersteller/EU Verantwortliche Person

Makita Werkzeug GmbH

Makita-Platz 1

40885 Ratingen

DE

info@makita.de

(02102) 1004-0

  • Lieferzeit: 5 - 7 Werktage
Vollständige Details anzeigen
Dein Warenkorb
Variante Varianten insgesamt Anzahl Preis Varianten insgesamt
Pos. 51 Pleuelstange 347662-6
Pos. 51 Pleuelstange 347662-6
8,47 €/Stück
0,00 €
8,47 €/Stück 0,00 €
Pos. 52 Nadelkäfig 315 212229-8
Pos. 52 Nadelkäfig 315 212229-8
8,47 €/Stück
0,00 €
8,47 €/Stück 0,00 €
Pos. 53 Stirnrad kpl. 141C49-0
Pos. 53 Stirnrad kpl. 141C49-0
37,75 €/Stück
0,00 €
37,75 €/Stück 0,00 €
Pos. 54 Dichtung 443159-4
Pos. 54 Dichtung 443159-4
5,95 €/Stück
0,00 €
5,95 €/Stück 0,00 €
Pos. 55 Getriebegehäuseabdeckung komplett 141H42-4
Pos. 55 Getriebegehäuseabdeckung komplett 141H42-4
51,69 €/Stück
0,00 €
51,69 €/Stück 0,00 €
Pos. 56 Innensechskant-Rundkopfschraube M6X4 266559-9
Pos. 56 Innensechskant-Rundkopfschraube M6X4 266559-9
2,97 €/Stück
0,00 €
2,97 €/Stück 0,00 €
Pos. 57 Innensechskantkopfschraube M4X16 WR 922128-3
Pos. 57 Innensechskantkopfschraube M4X16 WR 922128-3
2,06 €/Stück
0,00 €
2,06 €/Stück 0,00 €
Pos. 58 Hülse 5 257859-8
Pos. 58 Hülse 5 257859-8
1,73 €/Stück
0,00 €
1,73 €/Stück 0,00 €
Pos. 59 Innensechskantkopfschraube M5X25 WR 265A89-3
Pos. 59 Innensechskantkopfschraube M5X25 WR 265A89-3
1,73 €/Stück
0,00 €
1,73 €/Stück 0,00 €
Pos. 60 Schermesser 600 R Set 191R55-5
Pos. 60 Schermesser 600 R Set 191R55-5
144,76 €/Stück
0,00 €
144,76 €/Stück 0,00 €

Warenkorb ansehen
0

Artikel gesamt

0,00 €

Produktzwischensumme

Inkl. MwSt. Rabatte und Versandkosten werden an der Kasse berechnet.
Warenkorb ansehen