Zu Produktinformationen springen
1 von 1

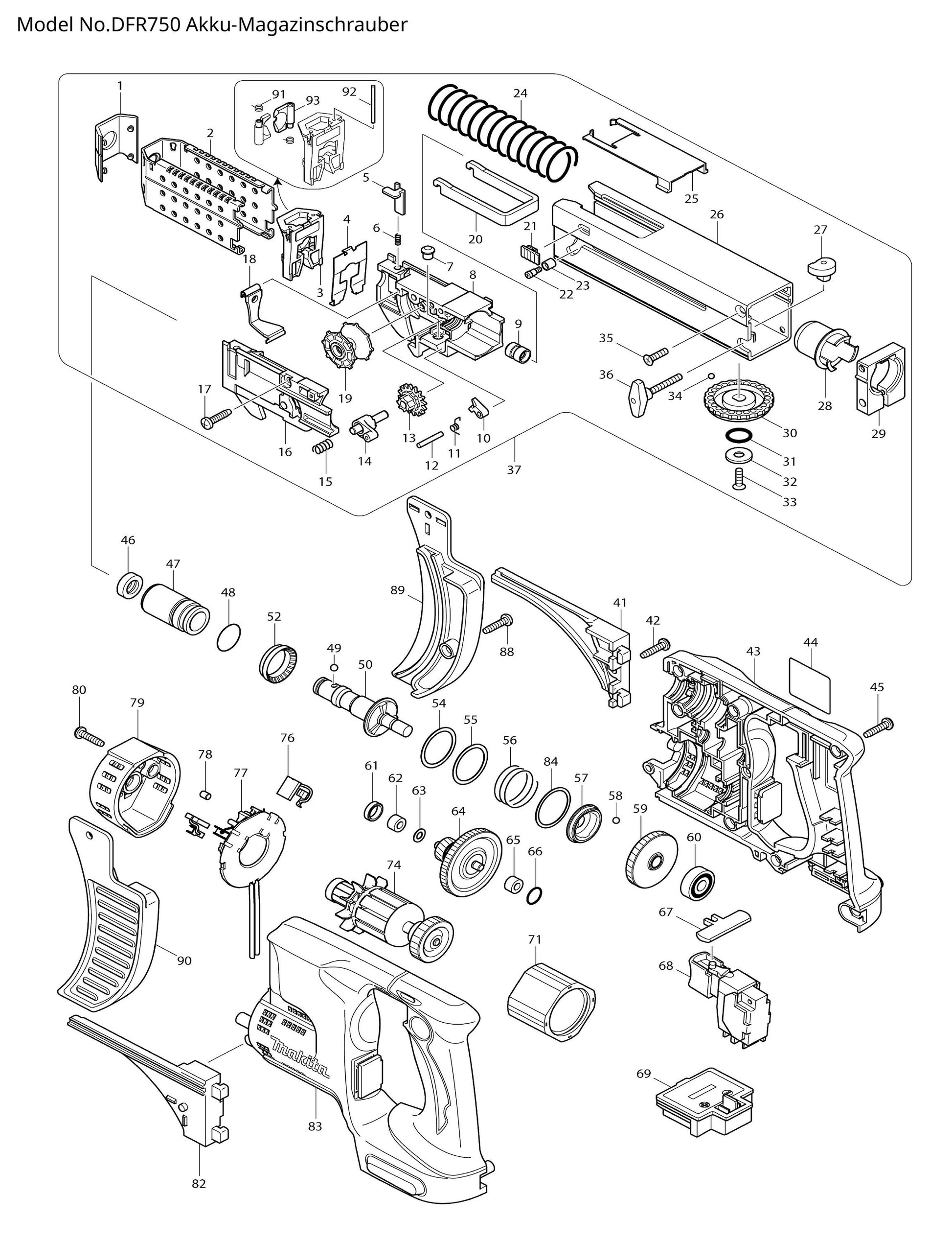
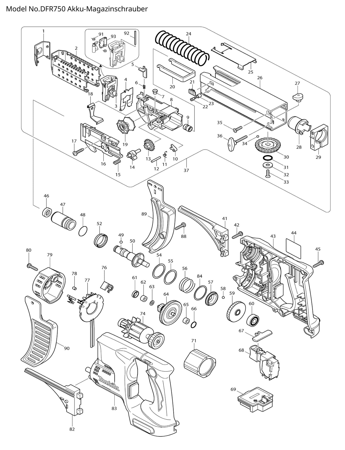
Makita DFR750 Ersatzteile

Makita DFR750 Ersatzteile

Hier findest du alle Ersatzteile für deinen Akku-Magazinschrauber DFR750 von Makita. Unsere Ersatzteile stammen alle vom Hersteller Makita.

Verfügbarkeitshinweis

Sollte ein Teil nicht sofort lieferbar sein, informieren wir dich so schnell wie möglich nach deiner Bestellung.

Kompatibilitäts Hinweis

Bitte prüfe das Typenschild der Maschine, diese Ersatzteile sind nur für die Maschine welche hier beschrieben ist.

Wenn Du bei der Auswahl der Ersatzteile nicht sicher bist, kontaktiere uns per E-Mail.

Hersteller/EU Verantwortliche Person

Makita Werkzeug GmbH

Makita-Platz 1

40885 Ratingen

DE

info@makita.de

(02102) 1004-0

  • Lieferzeit: 5 - 7 Werktage
Vollständige Details anzeigen
Dein Warenkorb
Variante Varianten insgesamt Anzahl Preis Varianten insgesamt
Pos. 1 Kappe 424043-2
Pos. 1 Kappe 424043-2
5,04 €/Stück
0,00 €
5,04 €/Stück 0,00 €
Pos. 2 Anschlagbasis 75 345841-0
Pos. 2 Anschlagbasis 75 345841-0
36,15 €/Stück
0,00 €
36,15 €/Stück 0,00 €
Pos. 3 Führungskasten komplett 140493-0
Pos. 3 Führungskasten komplett 140493-0
31,57 €/Stück
0,00 €
31,57 €/Stück 0,00 €
Pos. 4 Schutzteil 346269-5
Pos. 4 Schutzteil 346269-5
6,40 €/Stück
0,00 €
6,40 €/Stück 0,00 €
Pos. 5 Hebel 345837-1
Pos. 5 Hebel 345837-1
2,97 €/Stück
0,00 €
2,97 €/Stück 0,00 €
Pos. 6 Druckfeder 2 233211-4
Pos. 6 Druckfeder 2 233211-4
2,06 €/Stück
0,00 €
2,06 €/Stück 0,00 €
Pos. 7 Kopfstift 6 256451-7
Pos. 7 Kopfstift 6 256451-7
3,66 €/Stück
0,00 €
3,66 €/Stück 0,00 €
Pos. 8 Zuführkasten 412963-2
Pos. 8 Zuführkasten 412963-2
5,72 €/Stück
0,00 €
5,72 €/Stück 0,00 €
Pos. 9 Hülse 5 257685-5
Pos. 9 Hülse 5 257685-5
5,72 €/Stück
0,00 €
5,72 €/Stück 0,00 €
Pos. 10 Stopper 310062-3
Pos. 10 Stopper 310062-3
12,35 €/Stück
0,00 €
12,35 €/Stück 0,00 €
Pos. 11 Torsionsfeder 4 231636-6
Pos. 11 Torsionsfeder 4 231636-6
2,52 €/Stück
0,00 €
2,52 €/Stück 0,00 €
Pos. 12 Stift 3 256158-5
Pos. 12 Stift 3 256158-5
2,06 €/Stück
0,00 €
2,06 €/Stück 0,00 €
Pos. 13 Stirnrad 16 226344-2
Pos. 13 Stirnrad 16 226344-2
5,04 €/Stück
0,00 €
5,04 €/Stück 0,00 €
Pos. 14 Stirnradhalter 158374-4
Pos. 14 Stirnradhalter 158374-4
36,15 €/Stück
0,00 €
36,15 €/Stück 0,00 €
Pos. 15 Druckfeder 6 233212-2
Pos. 15 Druckfeder 6 233212-2
1,63 €/Stück
0,00 €
1,63 €/Stück 0,00 €
Pos. 16 Kastenabdeckung komplett 158378-6
Pos. 16 Kastenabdeckung komplett 158378-6
17,84 €/Stück
0,00 €
17,84 €/Stück 0,00 €
Pos. 17 Bindekopf-Blechschraube 4X18 265995-6
Pos. 17 Bindekopf-Blechschraube 4X18 265995-6
2,06 €/Stück
0,00 €
2,06 €/Stück 0,00 €
Pos. 18 Staubschutzabdeckung 162934-6
Pos. 18 Staubschutzabdeckung 162934-6
10,07 €/Stück
0,00 €
10,07 €/Stück 0,00 €
Pos. 19 Rad 416518-5
Pos. 19 Rad 416518-5
6,40 €/Stück
0,00 €
6,40 €/Stück 0,00 €
Pos. 20 Platte 345838-9
Pos. 20 Platte 345838-9
6,40 €/Stück
0,00 €
6,40 €/Stück 0,00 €
Pos. 21 Stopper 450111-5
Pos. 21 Stopper 450111-5
2,97 €/Stück
0,00 €
2,97 €/Stück 0,00 €
Pos. 22 Flachkopf passschraube M3X5 265177-0
Pos. 22 Flachkopf passschraube M3X5 265177-0
4,35 €/Stück
0,00 €
4,35 €/Stück 0,00 €
Pos. 23 Hülse 4 257764-9
Pos. 23 Hülse 4 257764-9
3,66 €/Stück
0,00 €
3,66 €/Stück 0,00 €
Pos. 24 Druckfeder 23 234032-7
Pos. 24 Druckfeder 23 234032-7
5,04 €/Stück
0,00 €
5,04 €/Stück 0,00 €
Pos. 25 Gehäuseabdeckung 450114-9
Pos. 25 Gehäuseabdeckung 450114-9
3,66 €/Stück
0,00 €
3,66 €/Stück 0,00 €
Pos. 26 Gehäuse 75 komplett 158379-4
Pos. 26 Gehäuse 75 komplett 158379-4
62,83 €/Stück
0,00 €
62,83 €/Stück 0,00 €
Pos. 27 Schaltstift 310237-4
Pos. 27 Schaltstift 310237-4
10,98 €/Stück
0,00 €
10,98 €/Stück 0,00 €
Pos. 28 Isolierte Hülse 450110-7
Pos. 28 Isolierte Hülse 450110-7
3,66 €/Stück
0,00 €
3,66 €/Stück 0,00 €
Pos. 29 Klemme 318181-9
Pos. 29 Klemme 318181-9
16,48 €/Stück
0,00 €
16,48 €/Stück 0,00 €
Pos. 30 Einstellrad 42 417056-0
Pos. 30 Einstellrad 42 417056-0
5,72 €/Stück
0,00 €
5,72 €/Stück 0,00 €
Pos. 31 0-Ring 12 213107-5
Pos. 31 0-Ring 12 213107-5
1,63 €/Stück
0,00 €
1,63 €/Stück 0,00 €
Pos. 32 Unterlegscheibe 6 267201-5
Pos. 32 Unterlegscheibe 6 267201-5
2,97 €/Stück
0,00 €
2,97 €/Stück 0,00 €
Pos. 33 Senkkopfschraube M4X12 912117-6
Pos. 33 Senkkopfschraube M4X12 912117-6
2,06 €/Stück
0,00 €
2,06 €/Stück 0,00 €
Pos. 34 Stahlkugel 3.5 216001-0
Pos. 34 Stahlkugel 3.5 216001-0
1,63 €/Stück
0,00 €
1,63 €/Stück 0,00 €
Pos. 35 Senkkopfschraube M4X12 912117-6
Pos. 35 Senkkopfschraube M4X12 912117-6
2,06 €/Stück
0,00 €
2,06 €/Stück 0,00 €
Pos. 36 Flügelschraube M4X28 265779-2
Pos. 36 Flügelschraube M4X28 265779-2
3,66 €/Stück
0,00 €
3,66 €/Stück 0,00 €
Pos. 37 Gehäuse 75 Set 195183-0
Pos. 37 Gehäuse 75 Set 195183-0
181,50 €/Stück
0,00 €
181,50 €/Stück 0,00 €
Pos. 41 Schraubenführung Set 188306-7
Pos. 41 Schraubenführung Set 188306-7
16,48 €/Stück
0,00 €
16,48 €/Stück 0,00 €
Pos. 42 Bindekopf-Blechschraube 4X18 265995-6
Pos. 42 Bindekopf-Blechschraube 4X18 265995-6
2,06 €/Stück
0,00 €
2,06 €/Stück 0,00 €
Pos. 43 Gehäusesatz 187478-5
Pos. 43 Gehäusesatz 187478-5
79,74 €/Stück
0,00 €
79,74 €/Stück 0,00 €
Pos. 44 Typenschild DFR750 850D69-6
Pos. 44 Typenschild DFR750 850D69-6
2,06 €/Stück
0,00 €
2,06 €/Stück 0,00 €
Pos. 45 Bindekopf-Blechschraube 4X18 265995-6
Pos. 45 Bindekopf-Blechschraube 4X18 265995-6
2,06 €/Stück
0,00 €
2,06 €/Stück 0,00 €
Pos. 46 Staubschutzabdeckung 421467-3
Pos. 46 Staubschutzabdeckung 421467-3
2,97 €/Stück
0,00 €
2,97 €/Stück 0,00 €
Pos. 47 Flachlager 14 214173-5
Pos. 47 Flachlager 14 214173-5
17,84 €/Stück
0,00 €
17,84 €/Stück 0,00 €
Pos. 48 0-Ring 18 213262-3
Pos. 48 0-Ring 18 213262-3
2,52 €/Stück
0,00 €
2,52 €/Stück 0,00 €
Pos. 49 Stahlkugel 3.5 216001-0
Pos. 49 Stahlkugel 3.5 216001-0
1,63 €/Stück
0,00 €
1,63 €/Stück 0,00 €
Pos. 50 Spindel B 324808-1
Pos. 50 Spindel B 324808-1
54,31 €/Stück
0,00 €
54,31 €/Stück 0,00 €
Pos. 52 Hülse 20 421927-5
Pos. 52 Hülse 20 421927-5
2,52 €/Stück
0,00 €
2,52 €/Stück 0,00 €
Pos. 54 Unterlegscheibe 25 267331-2
Pos. 54 Unterlegscheibe 25 267331-2
2,97 €/Stück
0,00 €
2,97 €/Stück 0,00 €
Pos. 55 Unterlegscheibe 25 267331-2
Pos. 55 Unterlegscheibe 25 267331-2
2,97 €/Stück
0,00 €
2,97 €/Stück 0,00 €

Warenkorb ansehen
0

Artikel gesamt

0,00 €

Produktzwischensumme

Inkl. MwSt. Rabatte und Versandkosten werden an der Kasse berechnet.
Warenkorb ansehen