Zu Produktinformationen springen
1 von 1

Makita DGD801 Ersatzteile

Makita DGD801 Ersatzteile

Hier findest du alle Ersatzteile für deinen Akku-Geradschleifer DGD801 von Makita. Unsere Ersatzteile stammen alle vom Hersteller Makita.

Verfügbarkeitshinweis

Sollte ein Teil nicht sofort lieferbar sein, informieren wir dich so schnell wie möglich nach deiner Bestellung.

Kompatibilitäts Hinweis

Bitte prüfe das Typenschild der Maschine, diese Ersatzteile sind nur für die Maschine welche hier beschrieben ist.

Wenn Du bei der Auswahl der Ersatzteile nicht sicher bist, kontaktiere uns per E-Mail.

Hersteller/EU Verantwortliche Person

Makita Werkzeug GmbH

Makita-Platz 1

40885 Ratingen

DE

info@makita.de

(02102) 1004-0

  • Lieferzeit: 5 - 7 Werktage
Vollständige Details anzeigen
Dein Warenkorb
Variante Varianten insgesamt Anzahl Preis Varianten insgesamt
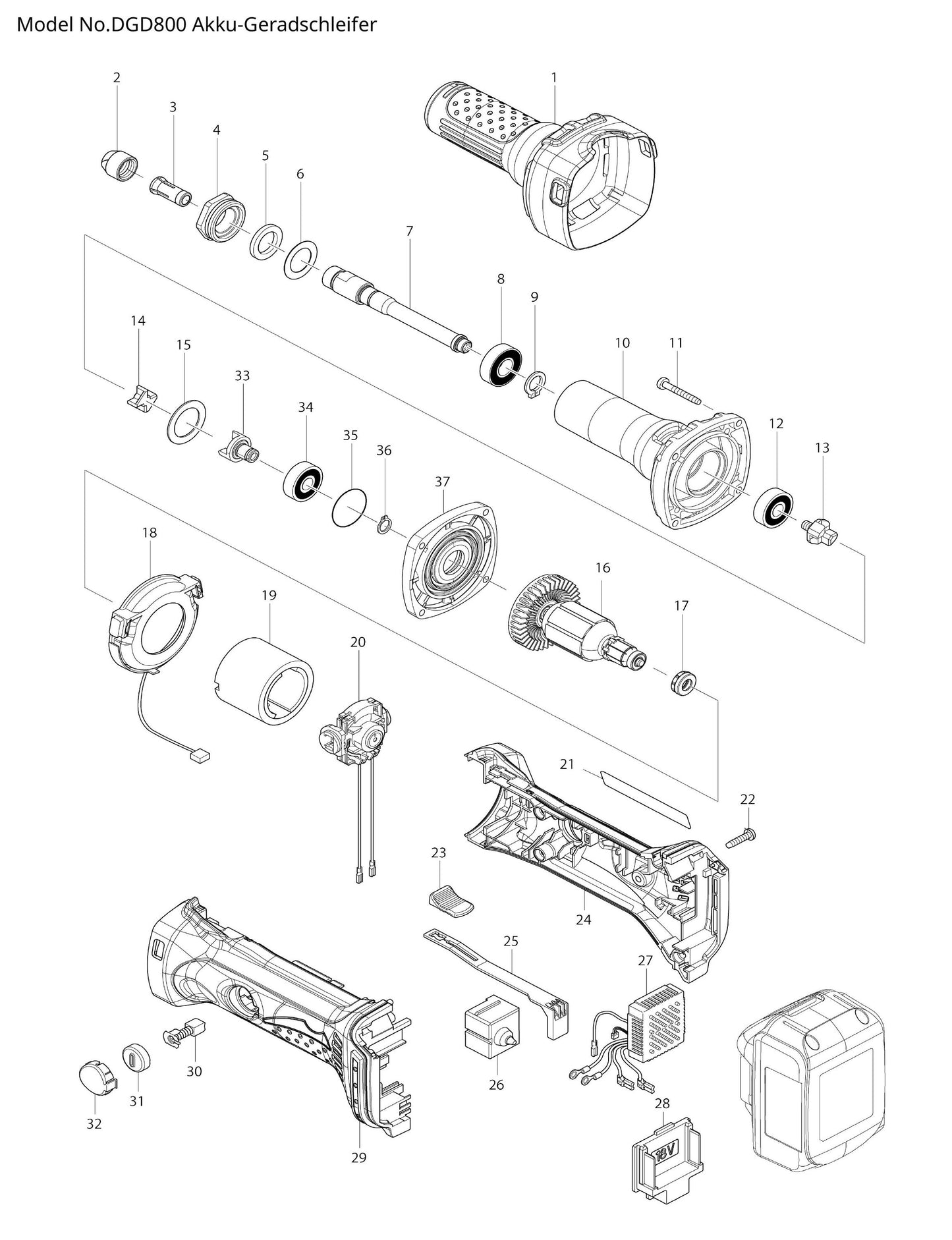
Pos. 1 Isolierabdeckung 424381-2
Pos. 1 Isolierabdeckung 424381-2
44,73 €/Stück
0,00 €
44,73 €/Stück 0,00 €
Pos. 2 Spannzangenmutter 763668-0
Pos. 2 Spannzangenmutter 763668-0
10,98 €/Stück
0,00 €
10,98 €/Stück 0,00 €
Pos. 3 Spannzangenkonus 6 763670-3
Pos. 3 Spannzangenkonus 6 763670-3
17,00 €/Stück
0,00 €
17,00 €/Stück 0,00 €
Pos. 4 Spindel 326011-0
Pos. 4 Spindel 326011-0
29,28 €/Stück
0,00 €
29,28 €/Stück 0,00 €
Pos. 5 Lagergehäuse komplett 140091-0
Pos. 5 Lagergehäuse komplett 140091-0
17,84 €/Stück
0,00 €
17,84 €/Stück 0,00 €
Pos. 6 Kugellager 6002LLB 211201-7
Pos. 6 Kugellager 6002LLB 211201-7
23,34 €/Stück
0,00 €
23,34 €/Stück 0,00 €
Pos. 7 Haltering (INT) R-32 962151-6
Pos. 7 Haltering (INT) R-32 962151-6
1,73 €/Stück
0,00 €
1,73 €/Stück 0,00 €
Pos. 8 Haltering (EXT) S-15 961055-9
Pos. 8 Haltering (EXT) S-15 961055-9
2,06 €/Stück
0,00 €
2,06 €/Stück 0,00 €
Pos. 11 Bindekopf-Blechschraube 4X22 266324-6
Pos. 11 Bindekopf-Blechschraube 4X22 266324-6
2,06 €/Stück
0,00 €
2,06 €/Stück 0,00 €
Pos. 16 Anker 619285-3
Pos. 16 Anker 619285-3
38,43 €/Stück
0,00 €
38,43 €/Stück 0,00 €
Pos. 17 Gummiring 13 421977-0
Pos. 17 Gummiring 13 421977-0
2,52 €/Stück
0,00 €
2,52 €/Stück 0,00 €
Pos. 18 LED-Schaltung 631714-6
Pos. 18 LED-Schaltung 631714-6
40,72 €/Stück
0,00 €
40,72 €/Stück 0,00 €
Pos. 19 Dauermagnet 638627-2
Pos. 19 Dauermagnet 638627-2
45,30 €/Stück
0,00 €
45,30 €/Stück 0,00 €
Pos. 20 Endglocke komplett 638921-2
Pos. 20 Endglocke komplett 638921-2
9,15 €/Stück
0,00 €
9,15 €/Stück 0,00 €
Pos. 21 Typenschild DGD801 815P39-4
Pos. 21 Typenschild DGD801 815P39-4
1,63 €/Stück
0,00 €
1,63 €/Stück 0,00 €
Pos. 22 Bindekopf-Blechschraube 4X18 266326-2
Pos. 22 Bindekopf-Blechschraube 4X18 266326-2
1,63 €/Stück
0,00 €
1,63 €/Stück 0,00 €
Pos. 23 Schaltknopf 419566-3
Pos. 23 Schaltknopf 419566-3
1,73 €/Stück
0,00 €
1,73 €/Stück 0,00 €
Pos. 24 Gehäusesatz 187843-8
Pos. 24 Gehäusesatz 187843-8
49,52 €/Stück
0,00 €
49,52 €/Stück 0,00 €
Pos. 25 Schalthebel 419519-2
Pos. 25 Schalthebel 419519-2
8,24 €/Stück
0,00 €
8,24 €/Stück 0,00 €
Pos. 26 Schalter 1246.3223 650579-7
Pos. 26 Schalter 1246.3223 650579-7
23,34 €/Stück
0,00 €
23,34 €/Stück 0,00 €
Pos. 27 Controller 620243-4
Pos. 27 Controller 620243-4
42,21 €/Stück
0,00 €
42,21 €/Stück 0,00 €
Pos. 28 Klemme 644808-8
Pos. 28 Klemme 644808-8
5,04 €/Stück
0,00 €
5,04 €/Stück 0,00 €
Pos. 29 Gehäusesatz 187843-8
Pos. 29 Gehäusesatz 187843-8
49,52 €/Stück
0,00 €
49,52 €/Stück 0,00 €
Pos. 30 Kohlebürsten 191971-3
Pos. 30 Kohlebürsten 191971-3
8,24 €/Stück
0,00 €
8,24 €/Stück 0,00 €
Pos. 31 Halterkappe 643929-3
Pos. 31 Halterkappe 643929-3
2,06 €/Stück
0,00 €
2,06 €/Stück 0,00 €
Pos. 32 Halterkappenabdeckung 419518-4
Pos. 32 Halterkappenabdeckung 419518-4
2,97 €/Stück
0,00 €
2,97 €/Stück 0,00 €

Warenkorb ansehen
0

Artikel gesamt

0,00 €

Produktzwischensumme

Inkl. MwSt. Rabatte und Versandkosten werden an der Kasse berechnet.
Warenkorb ansehen